info@polypipesolutions.com
Equipment
Get your fittings fast!
We do our best to ship orders same day. We will always contact you if we can't ship within 2 business days.
Pictures are for representational purposes only and may not precisely match the product. Contact us for verification.
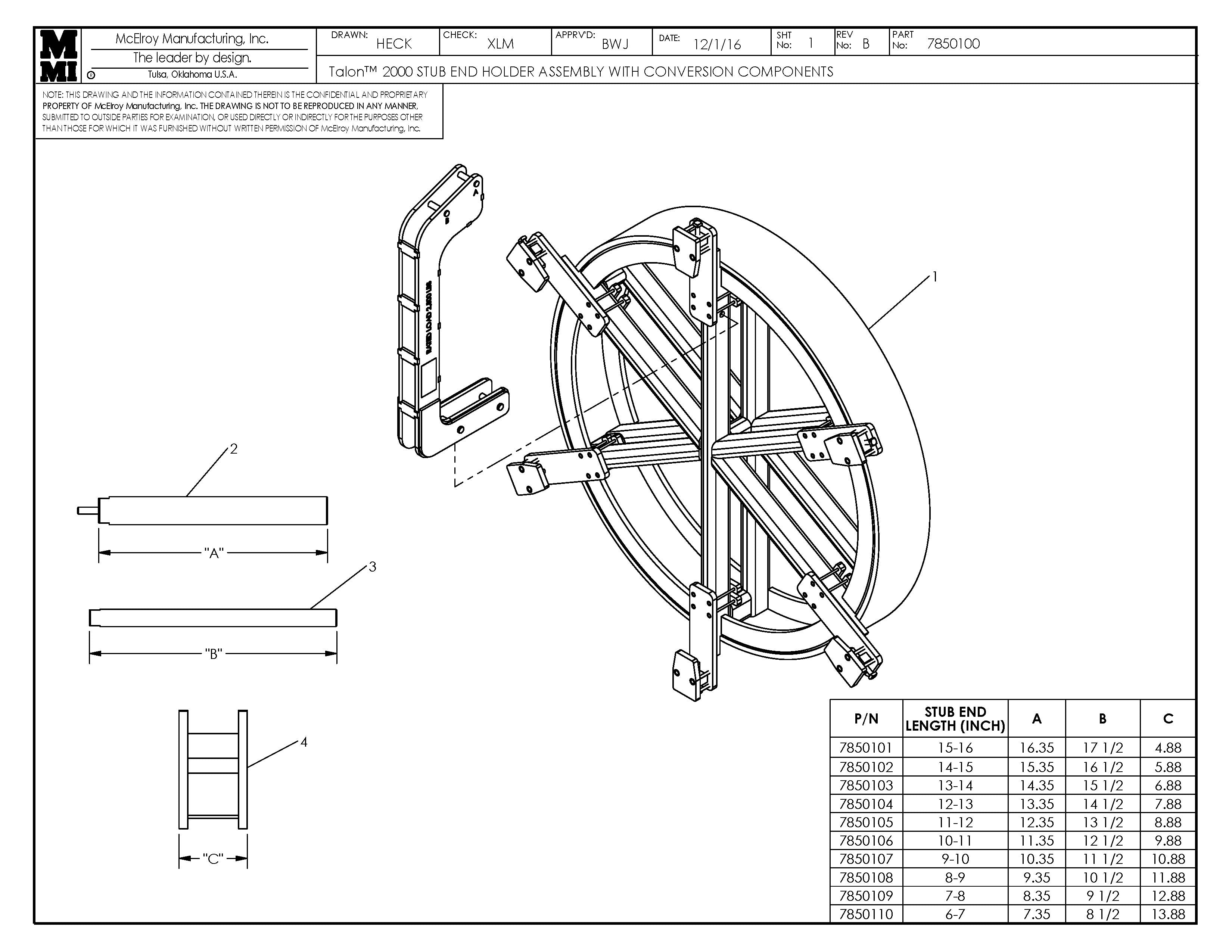
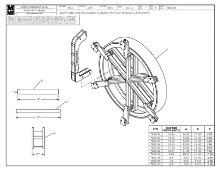
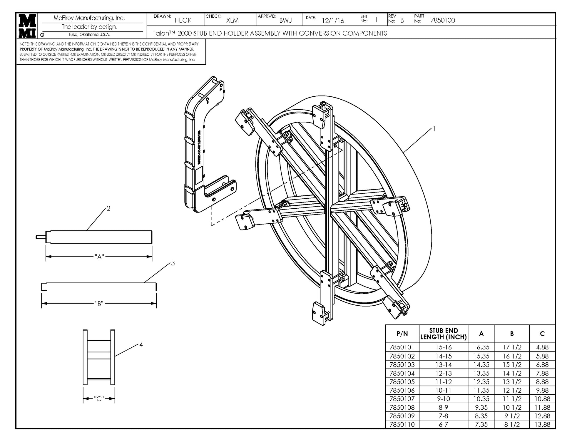
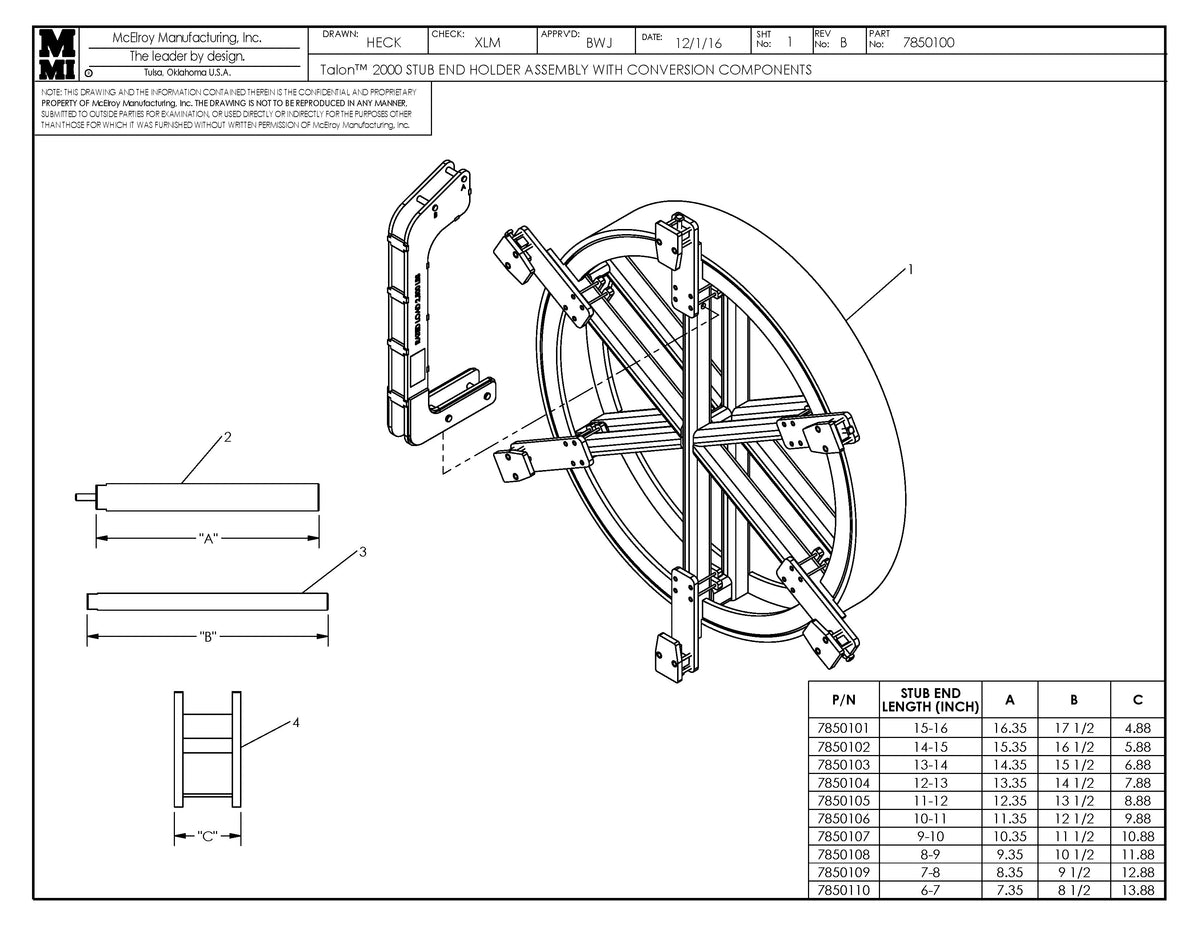
McElroy Part 7850102 - TALON 14-15 STUB ED HLDR W/CNV