info@polypipesolutions.com
Equipment
Get your fittings fast!
We do our best to ship orders same day. We will always contact you if we can't ship within 2 business days.
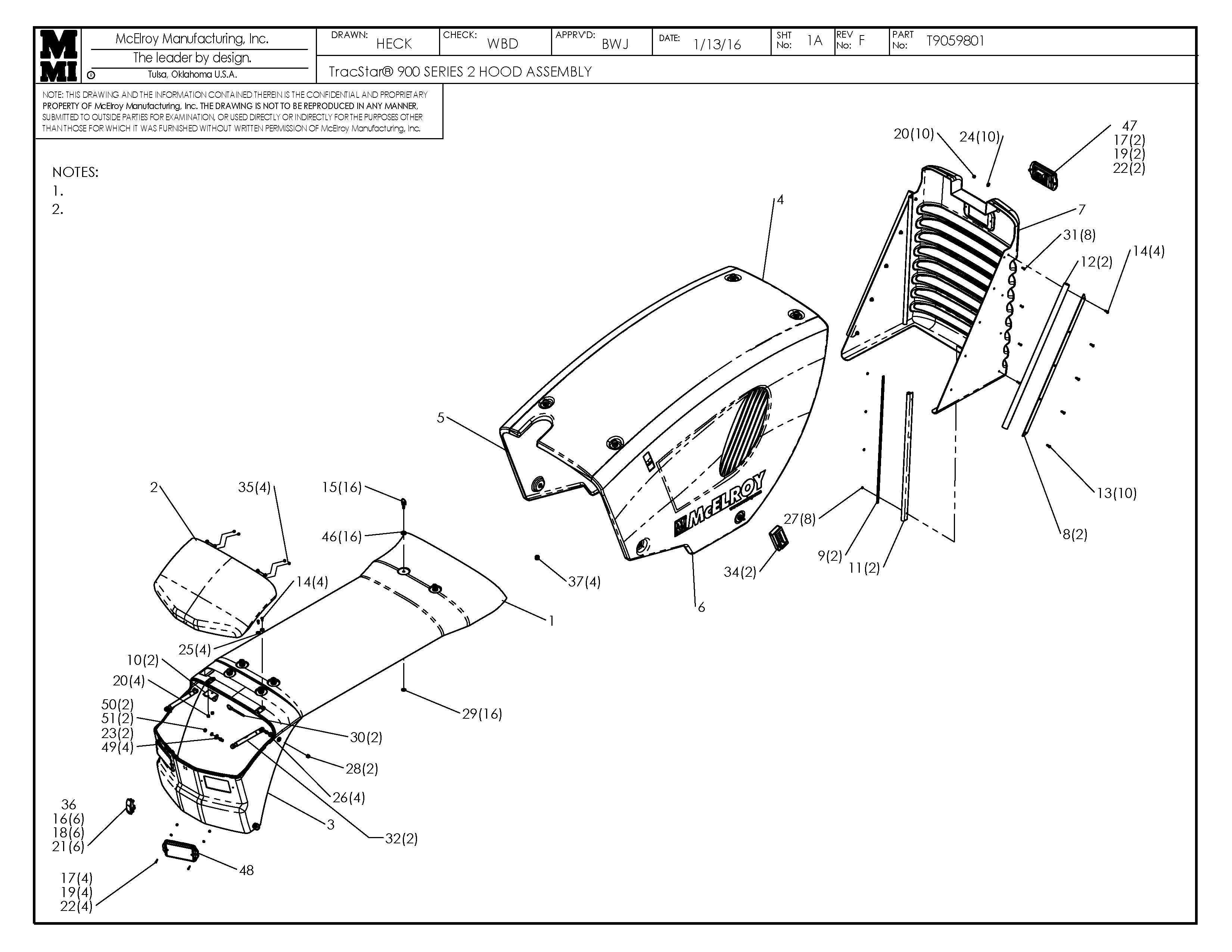
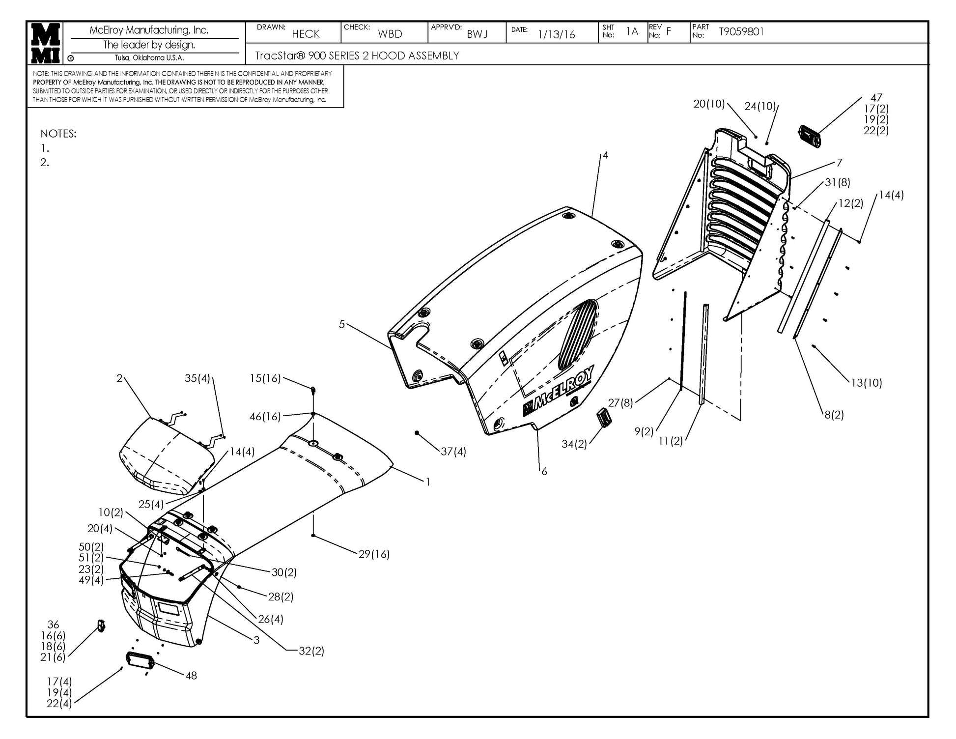
Pictures are for representational purposes only and may not precisely match the product. Contact us for verification.
T900 S2 Hood Assembly